Led Siêu Sáng Ø5
LED siêu sáng Ø5 (còn gọi là LED 5mm hoặc LED phi 5) là loại đèn LED thông dụng có đường kính 5mm, phát ánh sáng rực và rõ hơn so với LED thường. Chúng được dùng phổ biến trong các mạch hiển thị, chiếu sáng, báo trạng thái, thiết bị DIY,…
✅ Thông số cơ bản của LED siêu sáng Ø5mm:
| Thông số | Giá trị phổ biến |
|---|---|
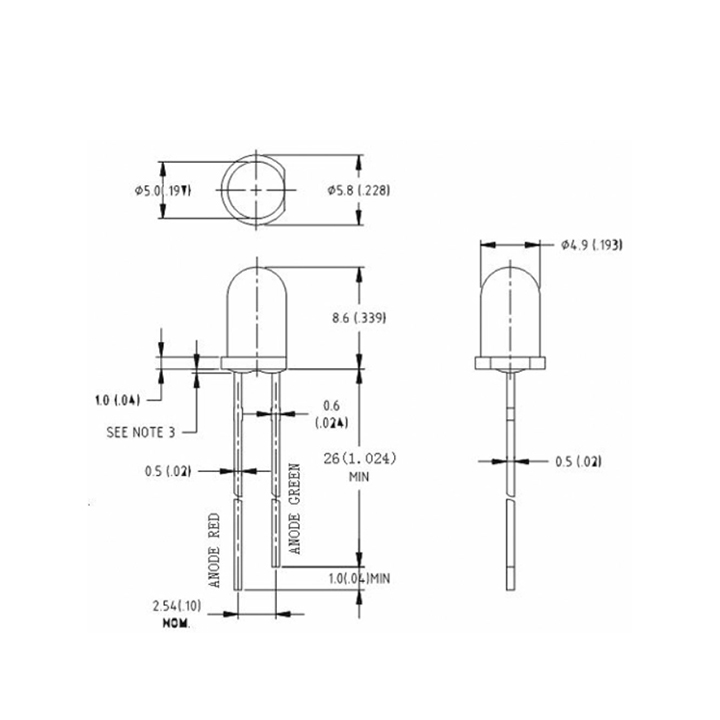
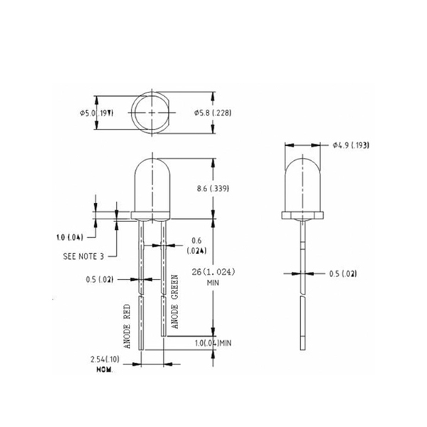
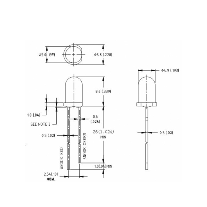
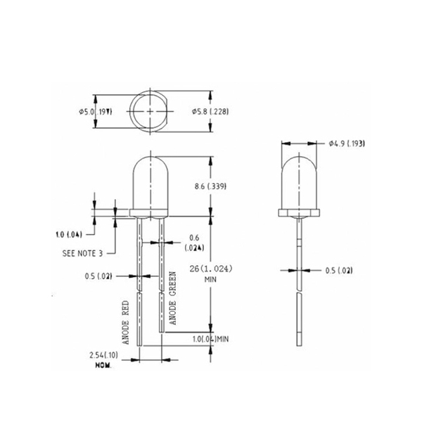
| Đường kính | 5mm (Ø5) |
| Chiều dài chân | Chân dài: Anode (+), Chân ngắn: Cathode (–) |
| Màu sắc | Trắng, đỏ, xanh dương, xanh lá, vàng, hồng, tím... |
| Điện áp hoạt động | 1.8V – 3.2V tùy màu |
| Dòng điện hoạt động | 10 – 20 mA |
| Cường độ sáng | 5,000 – 20,000 mcd (tùy loại) |
| Góc phát sáng | Khoảng 20° – 60° (tùy mẫu) |
| Kiểu chân | 2 chân xuyên lỗ (dùng cho breadboard, PCB) |
🎨 Bảng điện áp LED theo màu (tham khảo):
| Màu LED | Điện áp hoạt động (V) | Dòng điện tối ưu |
|---|---|---|
| Đỏ | 1.8 – 2.2 V | 10 – 20 mA |
| Vàng | 2.0 – 2.2 V | 10 – 20 mA |
| Xanh lá | 2.0 – 2.4 V | 10 – 20 mA |
| Xanh dương | 3.0 – 3.2 V | 10 – 20 mA |
| Trắng | 3.0 – 3.3 V | 10 – 20 mA |
🛠 Ứng dụng phổ biến:
✔️ Đèn báo trạng thái (power, tín hiệu, cảnh báo…)
✔️ Đèn nền, hiển thị DIY, đèn nhấp nháy
✔️ Mạch điều khiển bằng Arduino
✔️ Trang trí, đèn mô hình, robot mini
Hình Ảnh Led Siêu Sáng Ø5

Hình Ảnh Của Led Siêu Sáng Ø5

Led Siêu Sáng Ø5

Kích Thước Led Siêu Sáng Ø5

Ứng Dụng Led Siêu Sáng Ø5
Chính Sách Bảo Hành:
✔️ Hỗ trợ đổi trả hàng trong vòng 7 ngày do lỗi nhà sản xuất
✔️ Bảo hành qua hóa đơn mua hàng.
✔️ Áp dụng với sản phẩm nằm trong danh mục bảo hành và đang trong thời hạn bảo hành
✔️ Sản phẩm không có dấu hiệu hỏng hóc do cơ học, cháy nổ do hỏa hoạn, bị nước vào…
✔️ Sản phẩm không có sự can thiệp ngoại quan của khách hàng.
Hotline: